塑料离心风机
修改时间:2025-05-28 20:08:00 浏览:2042617次 作者:万通
| 产品名称: | PP4-62型C式塑料离心风机 | 产品简介: | PP4-62型C式塑料离心风机是一种耐腐蚀、轻量化的风机,广泛应用于化工、电镀、实验室、环保等腐蚀性气体或含尘气体的通风换气场景。 1. 型号含义解析 • PP:代表材质为聚丙烯(Polypropylene),具有优异的耐酸碱、抗腐蚀性能,适用于化工、电镀、实验室等腐蚀性气体环境。 • 4-62:风机型号系列,其中“4”表示压力系数(中低压),“62”表示比转速(风量范围中等)。 • C式:驱动方式为皮带传动(电机与风机叶轮通过皮带连接),便于调整转速和维修,电机位于风机侧面。 2. 主要结构与特点 • 叶轮:PP材质注塑成型,叶片为后向式设计,运行平稳,效率较高。 • 机壳:整体PP焊接或模具成型,密封性好,耐腐蚀。 • 进风口:可选直联或法兰接口,方便管道连接。 • 电机:标准为普通型(如需防爆、变频等需特殊说明),外置设计避免接触腐蚀气体。 • 支架:通常为碳钢防腐喷涂或PP材质,支撑结构稳固。 3. 性能参数(示例) • 风量:约4400~23500 m³/h(具体因规格而异)。 • 全压:300~1580 Pa(中低压范围)。 • 功率:1.5~7.5 kW,根据风量、压力需求匹配。 • 转速:1450 rpm(4极电机)。 4. 应用场景 • 化工行业:酸碱废气、挥发性气体排放。 • 电镀/冶金:含腐蚀性颗粒的烟气处理。 • 环保工程:废气洗涤塔配套、污水处理通风。 • 实验室/医药:通风柜、洁净室排风。 5. 选型注意事项 • 介质特性:需明确气体成分、温度(PP一般耐温≤60℃)、是否有颗粒物。 • 风量压力:根据管道阻力、换气次数计算需求。 • 安装方式:水平或垂直安装,进出口方向需确认。 • 特殊要求:防爆、变频控制、消声器等需提前说明。 6. 维护与保养 • 定期检查:皮带松紧度、叶轮积垢、支架螺栓紧固。 • 清洁:用清水或中性清洁剂冲洗,避免有机溶剂腐蚀PP材质。 • 避免空转:塑料风机长时间空转可能导致过热变形。 |

-
01 CRC质量管理体系认证
风机测试符合JB/T 10563-2006国家标准的要求,风机设备连续运行24小时不损坏,长久使用寿命,节能高效(省电),为您创造利润,节省成本。全机组进行电脑应力应变分析,提高结构强度。
02 保养操作简单
采用油浴封闭式的机油箱,保护轴承与轴芯不受腐蚀性气体的侵蚀,延长使用寿命,降低故障频率,模组化生产,规格统一,零配件材料齐全,可在短时间内、节约成本,快速完成安装维修。
03 提供服务团队
1对1服务,提供到公司测量性能、震动,提供测试报告,防范故障于未然,保障风机在最佳状况下运转。可针对客户的特殊规格,量身定制设计,确保风机运转于最高效率点。
PP4-62-C型塑料离心风机 PP4-62-C型塑料离心风机参照金属4-62性能参数采用聚丙烯板,加热压模焊接而成。其广泛应用于科研、化工、冶金、电子、医药、纺织、仪表、电镀、矿山、学校酒店、宾馆、实验室、环保配套设备等行业中作通风换气排除酸碱性等有害气体通风之用。但不允许输送含芳香族化合物、脂肪族与芳香族碳氢化合物的卤素衍生物、酮类等腐蚀性气体。具有耐化学腐蚀、不易老化、比重小、机械振动小、噪音低、运转平稳等特点。其所输送气体不允许含有粘性物质、所含粉尘及硬质颗粒≤150mg/m3、气体温度50℃、相对湿度≤100%。且避免阳光暴晒、风机现场附近不得有热源。
PP4-62-C Plastic centrifugal fan PP4-62-C Plastic centrifugal fan With reference to the performance parameters of metal 4-62 polypropylene plate is welded by heating pressure die. It is widely used in scientific research chemical industry metallurgy electronics medicine textile instrumentation electroplating mining school hotels guesthouses laboratories environmental protection equipment and other industries for ventilation ventilation to remove acid and alkaline and other harmful gases. However it is not allowed to transport corrosive gases containing aromatic compounds aliphatic and aromatic hydrocarbons halogen derivatives ketones and so on. It has the characteristics of chemical corrosion resistance not easy aging small specific gravity small mechanical vibration low noise stable operation and so on. The gas is not allowed to contain viscous substances dust and hard particles≤150mg/m3 gas temperature≤50℃ relative humidity≤100% Avoid sun exposure and no heat source near the fan site.
机 号
Model(No)功 率
Power(Kw)转 速
Speed(r/min)流 量
Volume(M3/h)全 压
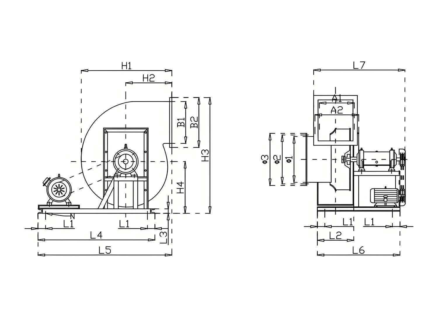
Pressure(Pa)6C 4 1450 8000-11000 1274-686 1.5 960 4420-8841 498-317 7C 7.5 1450 10500-16500 1580-980 3 960 6650-11000 650-425 8C 5.5 960 10478-19428 887-651 10C 7.5 800 16800-23560 850-720 外形及安装尺寸示意图 Lnstallation size diagram

产品为人工实物测量会有一定误差,相关数据仅作参考。 单位Unit: mm(毫米)
机 号 进风口 Air inlet 出风口 Vent 外形尺寸 Shape size 底架尺寸 Bottom frame size NO Φ1 Φ2 Φ3 A1 A2 B1 B2 H1 H2 H3 H4 L5 L7 L1 L2 L3 L4 L6 N 6C 387 437 487 345 456 403 518 940 450 1295 570 1250 988 100 420 60 1000 720 M12 7C 443 498 553 406 519 472 584 1005 497 1405 880 1470 1168 158 424 60 1405 880 M12 8C 525 588 648 468 597 546 683 1210 630 1685 975 1690 1350 193 550 75 1400 1100 M12
在线留言
联系我们
如果您对塑料离心风机的技术参数或其他问题感兴趣,请留下您的详细信息,我们将在24小时内安排销售经理给您回复。- 万通风机
厂家直销
- 万通风机
提供检验报告
- 万通风机
售后有保障
地址:广州市番禺区沙湾镇动车街33号之二
电话:
PP离心风机
PP4-72型A式参照金属4-72性能参数采用聚丙烯板,加热压模焊接而成,可输送含酸碱成分及化学成分的腐蚀性有毒气体。
防腐蚀风机
PP4-62型A式参照金属4-62性能参数采用聚丙烯板,加热压模焊接而成。具有耐化学腐蚀、不易老化、比重小、机械振动小、噪音低、运转平稳等特点。
塑料离心风机
PP4-62型C式具有耐化学腐蚀、不易老化、比重小、机械振动小、噪音低、运转平稳等特点。广泛应用于科研、化工、冶金、电子、医药、纺织、仪表、电镀、矿山、学校酒店、宾馆、实验室、环保配套设备等含有腐蚀性气体的场所。
防腐离心式风机
PP4-72型C式具有耐化学腐蚀、不易老化、比重小、机械振动小、噪音低、运转平稳等特点。广泛应用于科研、化工、冶金、电子、医药、纺织、仪表、电镀、矿山、学校酒店、宾馆、实验室、环保配套设备等含有腐蚀性气体的场所。







