防腐蚀风机
修改时间:2025-05-28 20:08:00 浏览:2189488次 作者:万通
| 产品名称: | PP4-62型A式防腐蚀风机 | 产品简介: | PP4-62型A式防腐蚀风机 是一种采用聚丙烯(PP)塑料制成的离心式通风机,具有极强的耐酸碱、抗腐蚀性能,适用于化工、电镀、制药、实验室等强腐蚀性气体环境。其“A式”代表 电机直联传动(无皮带轮),结构紧凑,运行稳定。 一、主要特点 1.材质优势 • 全PP塑料结构(叶轮、机壳、进风口),耐强酸(如硫酸、盐酸)、强碱(如氢氧化钠)及有机溶剂腐蚀。 • 相比玻璃钢(FRP),PP更适用于高浓度化学腐蚀环境,但耐温性稍低(通常≤60℃)。 2.结构设计 • 离心式叶轮,中高压风量,适用于较长管道送排风。 • A式直联传动:电机与叶轮直接连接,效率高,维护简便。 • 可定制 防爆电机(ExdⅡBT4)用于易燃易爆场所。 3.性能参数 • 风量范围:680~19500m³/h(视型号而定)。 • 全压范围:80~1600Pa。 • 适用温度:-10℃~+60℃(高温环境需特殊定制)。 二、典型应用场景 1.化工行业 • 硫酸、盐酸、硝酸等酸性气体排放。 • 氯碱、化肥生产中的腐蚀性介质输送。 2.电镀与表面处理 • 电镀槽酸雾、铬酸雾、氰化物废气抽排。 3.环保与污水处理 • 硫化氢(H₂S)、氨气(NH₃)等恶臭气体处理。 • 废气洗涤塔配套风机。 4.实验室与医药 • 实验通风柜、PCR实验室废气排放。 • 制药厂溶剂回收系统。 5.电子与电池制造 • PCB蚀刻工序酸性废气收集。 • 锂电池电解液挥发气体处理。 三、选型与安装要点 1. 选型关键参数 • 风量(m³/h):根据废气排放量及管道系统阻力计算。 • 全压(Pa):需考虑风管长度、弯头数量及净化设备阻力。 • 气体性质:明确腐蚀介质成分、浓度及温度,以确认PP材质的适用性。 • 防爆要求:易燃易爆环境需选防爆电机(如ExdⅡBT4)。 2. 安装方式 • 支架安装:通过风机底座固定于地面或平台,需确保水平。 • 管道连接:进出口法兰需配PP或PVC法兰垫片,避免金属螺栓直接接触腐蚀性气体。 • 防护措施:室外安装需加防雨罩,避免阳光直射(PP材料紫外线耐受性较差)。 3. 维护与注意事项 • 定期检查:叶轮是否腐蚀变形,紧固件是否松动。 • 清洁保养:用清水或中性清洁剂冲洗,禁止使用有机溶剂擦拭。 • 避免超温运行:长期超过80℃可能导致PP材料软化变形。 四、型号说明(示例) • PP4-62-4A • PP4-62:系列号,代表后向离心风机。 • 4:叶轮直径400mm。 • A:电机直联传动方式。 五、替代与升级方案 • 若介质含颗粒物(如结晶盐雾),可选 PP+FRP复合材质 或 不锈钢衬塑风机。 • 高温环境(>80℃)可考虑 PVDF材质风机(耐温120℃)。 |

-
01 CRC质量管理体系认证
风机测试符合JB/T 10563-2006国家标准的要求,风机设备连续运行24小时不损坏,长久使用寿命,节能高效(省电),为您创造利润,节省成本。全机组进行电脑应力应变分析,提高结构强度。
02 保养操作简单
采用紧凑的叶轮设计结构满足风机的高转速运行。叶片设计风量大,延长使用寿命,降低故障频率,模组化生产,规格统一,零配件材料齐全,可在短时间内、节约成本,快速完成安装维修。
03 提供服务团队
1对1服务,提供到公司测量性能、震动,提供测试报告,防范故障于未然,保障风机在最佳状况下运转。可针对客户的特殊规格,量身定制设计,确保风机运转于最高效率点。
PP4-62-A型防腐蚀风机 PP4-62-A型防腐蚀风机参照金属4-62性能参数采用聚丙烯板,加热压模焊接而成。其广泛应用于科研、化工、冶金、电子、医药、纺织、仪表、电镀、矿山、学校酒店、宾馆、实验室、环保配套设备等行业中作通风换气排除酸碱性等有害气体通风之用。但不允许输送含芳香族化合物、脂肪族与芳香族碳氢化合物的卤素衍生物、酮类等腐蚀性气体。具有耐化学腐蚀、不易老化、比重小、机械振动小、噪音低、运转平稳等特点。其所输送气体不允许含有粘性物质、所含粉尘及硬质颗粒≤150mg/m3、气体温度50℃、相对湿度≤100%。且避免阳光暴晒、风机现场附近不得有热源。
PP4-62-A Corrosion resistant fan PP4-62-A Corrosion resistant fanWith reference to the performance parameters of metal 4-62 polypropylene plate is welded by heating pressure die. It is widely used in scientific research chemical industry metallurgy electronics medicine textile instrumentation electroplating mining school hotels guesthouses laboratories environmental protection equipment and other industries for ventilation ventilation to remove acid and alkaline and other harmful gases. However it is not allowed to transport corrosive gases containing aromatic compounds aliphatic and aromatic hydrocarbons halogen derivatives ketones and so on. It has the characteristics of chemical corrosion resistance not easy aging small specific gravity small mechanical vibration low noise stable operation and so on. The gas is not allowed to contain viscous substances dust and hard particles≤150mg/m3 gas temperature≤50℃ relative humidity≤100% Avoid sun exposure and no heat source near the fan site.
机 号
Model(No)功 率
Power(Kw)转 速
Speed(r/min)流 量
Volume(M3/h)全 压
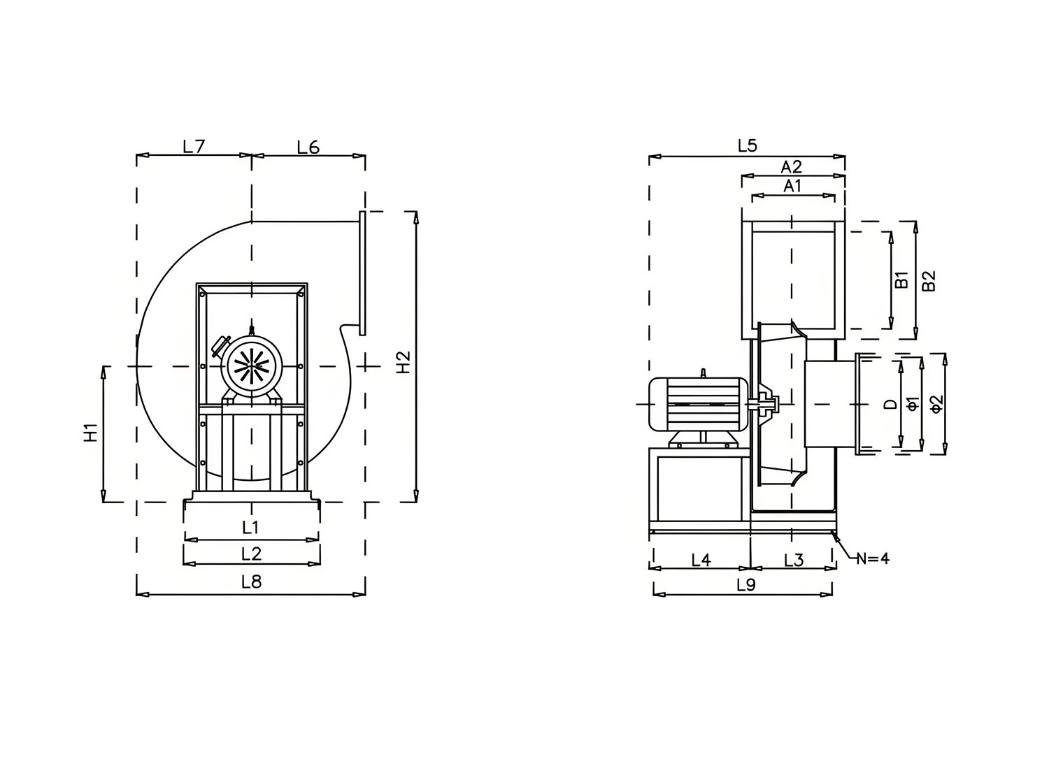
Pressure(Pa)2A 0.25 1450 680-800 128-78 3A 1.1 1450 1000-1400 323-127 0.75 1450 1000-1400 323-127 4A 1.1 1450 2500-3300 588-245 0.75 1450 2500-3300 588-245 5A 2.2 1450 5500-7500 999-441 1.5 1450 5500-7500 999-441 6A 5.5 1450 8400-11550 1337-720 4 1450 8000-11000 1274-686 1.5 960 4420-8841 498-317 7A 7.5 1450 10500-16500 1580-980 3 960 6650-11000 650-425 8A 5.5 960 10478-19428 887-651 外形及安装尺寸示意图 Lnstallation size diagram

产品为人工实物测量会有一定误差,相关数据仅作参考。 单位Unit: mm(毫米)
机 号 进风口 Air inlet 出风口 Vent 外形尺寸 Shape size 底架尺寸 Bottom frame size NO Φ1 Φ2 Φ3 A1 A2 B1 B2 H1 H2 L5 L6 L7 L8 L1 L2 L3 L4 L9 N 2A 118 177 204 114 208 128 217 208 446 428 172 168 340 232 272 157 220 367 M12 3A 183 232 277 177 266 198 285 278 616 485 237 258 495 320 356 199 242 401 M12 4A 25 290 350 240 324 268 353 348 786 542 303 349 652 408 440 241 242 435 M12 5A 309 373 395 289 397 332 440 442 987 667 356 431 787 508 548 304 260 521 M12 6A 387 437 487 345 456 403 518 511 1160 754 413 515 928 544 588 361 280 581 M12 7A 443 498 553 406 519 472 584 605 1352 862 491 614 1105 674 718 422 341 689 M12 8A 525 588 648 468 597 546 683 700 1544 970 569 713 1282 804 848 483 402 797 M12
在线留言
联系我们
如果您对防腐蚀风机的技术参数或其他问题感兴趣,请留下您的详细信息,我们将在24小时内安排销售经理给您回复。- 万通风机
厂家直销
- 万通风机
提供检验报告
- 万通风机
售后有保障
地址:广州市番禺区沙湾镇动车街33号之二
电话:
PP离心风机
PP4-72型A式参照金属4-72性能参数采用聚丙烯板,加热压模焊接而成,可输送含酸碱成分及化学成分的腐蚀性有毒气体。
防腐蚀风机
PP4-62型A式参照金属4-62性能参数采用聚丙烯板,加热压模焊接而成。具有耐化学腐蚀、不易老化、比重小、机械振动小、噪音低、运转平稳等特点。
塑料离心风机
PP4-62型C式具有耐化学腐蚀、不易老化、比重小、机械振动小、噪音低、运转平稳等特点。广泛应用于科研、化工、冶金、电子、医药、纺织、仪表、电镀、矿山、学校酒店、宾馆、实验室、环保配套设备等含有腐蚀性气体的场所。
防腐离心式风机
PP4-72型C式具有耐化学腐蚀、不易老化、比重小、机械振动小、噪音低、运转平稳等特点。广泛应用于科研、化工、冶金、电子、医药、纺织、仪表、电镀、矿山、学校酒店、宾馆、实验室、环保配套设备等含有腐蚀性气体的场所。







