防腐离心式风机
修改时间:2025-05-28 20:08:00 浏览:1550847次 作者:万通
| 产品名称: | PP4-72型C式防腐离心式风机 | 产品简介: | PP4-72型C式塑料离心风机是一种耐腐蚀、轻量化的风机,广泛应用于化工、电镀、实验室、环保等腐蚀性气体或潮湿环境中的通风换气。 1. 型号解析 • PP:表示材质为聚丙烯(Polypropylene),具有耐腐蚀特性,适用于化工、电镀等腐蚀性环境。 • 4-72:代表风机系列型号,源自传统碳钢制4-72风机设计,效率较高。 • C式:驱动方式为皮带传动(电机通过皮带轮带动叶轮),便于调整转速和维修。 2. 结构特点 • 叶轮:后倾式设计,运行平稳,风量中等,压力适中。 • 机壳:整体PP塑料注塑或焊接成型,轻便且抗酸碱腐蚀。 • 进风口:通常为锥形,减少气流损失。 • 支架/底座:可能为碳钢防腐处理或PP材质,与风机主体配套。 3. 性能参数(需根据具体规格确认) • 风量:约4400~26000m³/h(视机号大小而定)。 • 风压:300~1550Pa(中低压范围)。 • 功率:1.5~7.5kW,依型号匹配电机。 • 转速:1450rpm(4极电机)。 4. 应用场景 • 腐蚀性环境:化工废气、酸雾排放、实验室通风。 • 潮湿场合:电镀车间、污水处理厂。 • 普通排风:食品、医药行业需防腐蚀的区域。 5. 选型注意事项 • 介质温度:PP材质通常耐温≤60℃,高温需特殊处理或选其他材质。 • 气体成分:确认是否含有机溶剂(如丙酮、苯类),可能需防静电处理。 • 安装方式:C式皮带传动需留检修空间,注意电机防护等级(如IP55)。 6. 维护要点 • 定期检查皮带松紧度及磨损情况。 • 清理叶轮附着物,避免动平衡失效。 • 避免长期阳光直射,防止PP老化。 |

-
01 CRC质量管理体系认证
风机测试符合JB/T 10563-2006国家标准的要求,风机设备连续运行24小时不损坏,长久使用寿命,节能高效(省电),为您创造利润,节省成本。全机组进行电脑应力应变分析,提高结构强度。
02 保养操作简单
采用油浴封闭式的机油箱,保护轴承与轴芯不受腐蚀性气体的侵蚀,延长使用寿命,降低故障频率,模组化生产,规格统一,零配件材料齐全,可在短时间内、节约成本,快速完成安装维修。
-
03 提供服务团队
1对1服务,提供到公司测量性能、震动,提供测试报告,防范故障于未然,保障风机在最佳状况下运转。可针对客户的特殊规格,量身定制设计,确保风机运转于最高效率点。
PP4-72-C型防腐离心式风机 PP4-72-C型防腐离心式风机参照金属4-72性能参数采用聚丙烯板,加热压模焊接而成。其广泛应用于科研、化工、冶金、电子、医药、纺织、仪表、电镀、矿山、学校酒店、宾馆、实验室、环保配套设备等行业中作通风换气排除酸碱性等有害气体通风之用。但不允许输送含芳香族化合物、脂肪族与芳香族碳氢化合物的卤素衍生物、酮类等腐蚀性气体。具有耐化学腐蚀、不易老化、比重小、机械振动小、噪音低、运转平稳等特点。其所输送气体不允许含有粘性物质、所含粉尘及硬质颗粒≤150mg/m3、气体温度50℃、相对湿度≤100%。且避免阳光暴晒、风机现场附近不得有热源。
PP4-72-C Anticorrosive centrifugal fan PP4-72-C Anticorrosive centrifugal fan With reference to the performance parameters of metal 4-72 polypropylene plate is welded by heating pressure die. It is widely used in scientific research chemical industry metallurgy electronics medicine textile instrumentation electroplating mining school hotels guesthouses laboratories environmental protection equipment and other industries for ventilation ventilation to remove acid and alkaline and other harmful gases. However it is not allowed to transport corrosive gases containing aromatic compounds aliphatic and aromatic hydrocarbons halogen derivatives ketones and so on. It has the characteristics of chemical corrosion resistance not easy aging small specific gravity small mechanical vibration low noise stable operation and so on. The gas is not allowed to contain viscous substances dust and hard particles≤150mg/m3 gas temperature≤50℃ relative humidity≤100% Avoid sun exposure and no heat source near the fan site
机 号
Model(No)功 率
Power(Kw)转 速
Speed(r/min)流 量
Volume(M3/h)全 压
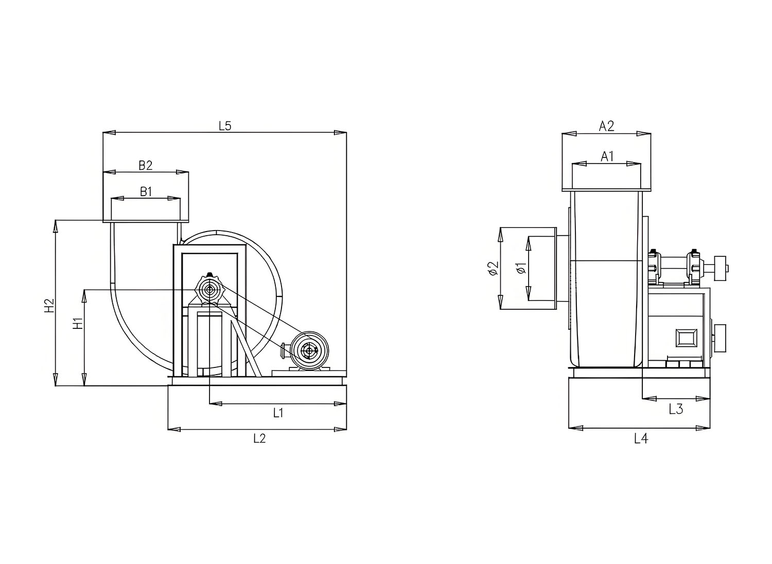
Pressure(Pa)6C 5.5 1450 7010-14020 1196-760 4 1450 6677-13353 1139-724 1.5 960 4420-8841 498-317 7C 7.5 1450 10602-21204 1550-984 3 960 7312-14623 736-468 8C 5.5 960 14052-18213 752-572 10C 7.5 800 19100-25950 815-670 外形及安装尺寸示意图 Lnstallation size diagram

产品为人工实物测量会有一定误差,相关数据仅作参考。 单位Unit: mm(毫米)
机 号 进风口 Air inlet 出风口 Vent 外形尺寸 Shape size 底架尺寸 Bottom frame size NO Φ1 Φ2 A1 A2 B1 B2 H1 H2 L5 L1 L2 L3 L4 N 6C 375 480 410 520 464 574 645 1115 1640 920 1200 395 830 M12 7C 460 530 490 600 560 670 730 1240 1890 1075 1405 395 880 M12 8C 795 910 585 730 620 800 900 1500 2410 1130 1610 520 1130 M12 10C 960 1140 700 845 810 950 1080 1850 2520 1360 2010 540 1320 M12
在线留言
联系我们
如果您对防腐离心式风机的技术参数或其他问题感兴趣,请留下您的详细信息,我们将在24小时内安排销售经理给您回复。- 万通风机
厂家直销
- 万通风机
提供检验报告
- 万通风机
售后有保障
地址:广州市番禺区沙湾镇动车街33号之二
电话:
PP离心风机
PP4-72型A式参照金属4-72性能参数采用聚丙烯板,加热压模焊接而成,可输送含酸碱成分及化学成分的腐蚀性有毒气体。
防腐蚀风机
PP4-62型A式参照金属4-62性能参数采用聚丙烯板,加热压模焊接而成。具有耐化学腐蚀、不易老化、比重小、机械振动小、噪音低、运转平稳等特点。
塑料离心风机
PP4-62型C式具有耐化学腐蚀、不易老化、比重小、机械振动小、噪音低、运转平稳等特点。广泛应用于科研、化工、冶金、电子、医药、纺织、仪表、电镀、矿山、学校酒店、宾馆、实验室、环保配套设备等含有腐蚀性气体的场所。
防腐离心式风机
PP4-72型C式具有耐化学腐蚀、不易老化、比重小、机械振动小、噪音低、运转平稳等特点。广泛应用于科研、化工、冶金、电子、医药、纺织、仪表、电镀、矿山、学校酒店、宾馆、实验室、环保配套设备等含有腐蚀性气体的场所。
产品规格 / Product Specifications
- PP4-72-2.8C-0.75Kw上犹防腐离心式风机
PP4-72-3.2C-0.75Kw随州防腐离心式风机
PP4-72-3.6C-1.1Kw灵武防腐离心式风机
PP4-72-4C-1.1Kw宾县防腐离心式风机
PP4-72-4.5C-1.5Kw周至防腐离心式风机
PP4-72-5C-2.2Kw新田防腐离心式风机
PP4-72-6C-1.5Kw如东防腐离心式风机
PP4-72-6C-4Kw玉树防腐离心式风机
PP4-72-6C-5.5Kw林口防腐离心式风机
PP4-72-7C-3Kw庆安防腐离心式风机
PP4-72-7C-7.5Kw阳泉防腐离心式风机
PP4-72-8C-5.5Kw洛南防腐离心式风机
PP4-72-10C-7.5Kw沙雅防腐离心式风机







