防腐轴流风机
修改时间:2025-05-28 20:08:00 浏览:2689546次 作者:万通
| 产品名称: | PFT35-11型防腐轴流风机 | 产品简介: | PFT35-11型防腐轴流风机是一种常用于腐蚀性环境中的通风设备,适用于化工、冶金、电镀、实验室等含有腐蚀性气体的场所。 1. 型号含义 • PFT:通常代表“防腐通风”(具体含义可能因厂家不同略有差异)。 • 35:表示风机的轮毂比(叶轮内径与外径的比值)。 • 11:前一个“1”代表单级叶轮,后一个“1”代表第一次设计或第一种变形。 2. 结构特点 • 材质:主要过流部件采用(叶轮玻璃钢/FRP、机壳PP塑料)防腐材料,耐酸碱和化学腐蚀。 • 叶轮:一般为翼型叶片,效率高、噪音低,经过动平衡校正。 • 电机:通常配备隔爆或防腐电机,防护等级IP55以上,适应恶劣环境。 3. 性能参数 • 风量:根据规格不同,范围约1000~50000 m³/h。 • 风压:中低压(通常50~500 Pa)。 • 功率:0.37~30 kW,具体取决于型号和转速。 • 转速:常见960rpm、1450rpm或2900rpm(4极/6极电机)。 4. 应用场景 • 化工车间、电镀厂、实验室排风。 • 污水处理、冶金行业腐蚀性气体排放。 • 需要防潮、防腐蚀的仓库或地下设施。 5. 安装与维护 • 安装:可壁式、管道式或屋顶安装,需确保进出口通畅。 • 维护:定期检查叶轮腐蚀情况,清理表面附着物,润滑轴承。 6. 选型注意事项 • 确认介质的腐蚀性(酸/碱/溶剂类型)以选择合适材质。 • 根据风量、风压需求匹配型号,避免超负荷运行。 • 环境温度过高时需特殊处理电机散热。 |

-
01 CRC质量管理体系认证
风机测试符合JB/T 10981-2010和JB/T 10562-2006国家标准的要求,风机设备连续运行24小时不损坏,长久使用寿命,节能高效(省电),为您创造利润,节省成本。
02 保养操作简单
采用紧凑的叶轮设计结构满足风机的高转速运行。叶片设计风量大,延长使用寿命,降低故障频率,模组化生产,规格统一,零配件材料齐全,可在短时间内、节约成本,快速完成安装维修。
03 提供服务团队
1对1服务,提供到公司测量性能、震动,提供测试报告,防范故障于未然,保障风机在最佳状况下运转。可针对客户的特殊规格,量身定制设计,确保风机运转于最高效率点。
PFT35-11防腐轴流风机 PFT35-11防腐轴流风机叶片采用进口乙烯基树脂(玻璃钢FRP)复合材质制作而成、外壳均采用聚丙烯板加热压模焊接而成。该系列风机具有结构简单、低噪音、安装简便、防腐性能良好、静压及效率高、运转平稳、机械振动小等特点。广泛应用于酸洗工段、化验室、地下室、发电厂、电镀、氧化厂等含有腐蚀性气体的场所使用。也适用于一般工矿企业、仓库、办公楼、住所等场所通风换气使用。更可以应用于较长管道内间隔串联安装,用以提高管道内的压力。所输送气体不允许含有粘性物质、所含粉尘及硬质颗粒150mg/m3、气体温度≤60℃、相对湿度≤100%。
PFT35-11 anti-corrosion axial fan PFT35-11 anti-corrosion axial fan The blade is made of imported vinyl resin (FRP) composite material the shell is made of polypropylene plate heating pressure mold welding. This series of fans has the advantages of simple structure low noise easy installation good anti-corrosion performance high static pressure and efficiency stable operation small mechanical vibration and so on. It is widely used in pickling section laboratory basement power plant electroplating oxidation plant and other places containing corrosive gases. It is also suitable for ventilation and ventilation in general industrial and mining enterprises warehouses office buildings residences and other places. It can also be applied to the long pipe in series installation to improve the pressure in the pipe. The transported gas is not allowed to contain viscous substances dust and hard particles≤150mg/m3 gas temperature≤60℃ relative humidity≤100%
机 号
Model(NO)功 率
Power(KW)转 速
Speed(r/min)流 量
Volume(M3/h)全 压
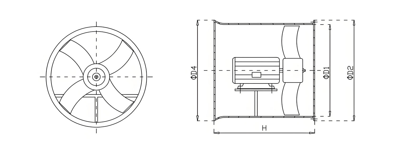
Pressure(Pa)2.8 0.25 2900 2778 186 0.09 1450 1392 47 3.15 0.55 2900 4155 247 0.37 2900 3418 189 0.18 1450 2415 51 0.12 1450 2078 62 3.55 1.1 2900 5951 314 0.75 2900 5380 280 0.25 1450 3457 65 0.18 1450 2981 78 4 1.5 2900 7685 354 1.1 2900 6999 305 0.37 1450 4945 83 0.25 1450 4261 100 4.5 0.55 1450 6455 108 0.37 1450 6067 126 5 0.75 1450 8712 165 0.55 1450 7907 146 0.37 960 5768 72 5.6 1.1 1450 12239 206 0.75 1450 10168 163 0.37 960 8103 90 6.3 2.2 1450 17426 261 0.75 960 10472 101 7.1 2.2 1450 16501 251 1.1 960 16514 145 8 7.5 1450 35682 420 5.5 1450 29644 332 2.2 960 23624 184 9 4 960 33937 233 3 960 30532 206 10 7.5 960 46141 288 4 710 38333 227 11.2 11 960 64825 361 7.5 960 53855 285 外形及安装尺寸示意图 Lnstallation size diagram

产品为人工实物测量会有一定误差,相关数据仅作参考。 单位Unit: mm(毫米)
机号 外形尺寸 NO ΦD1 ΦD2 ΦD4 H 2.8 300 375 375 290 3.15 315 395 395 295 3.55 375 450 450 325 4 407 500 500 321 4.5 465 555 555 330 5 518 608 608 370 5.6 565 650 650 430 6.3 610 710 710 435 7.1 720 770 770 500 8 810 900 900 530 9 905 1030 1030 530 10 1000 1100 1100 650 11.2 1030 1250 1250 650
在线留言
联系我们
如果您对防腐轴流风机的技术参数或其他问题感兴趣,请留下您的详细信息,我们将在24小时内安排销售经理给您回复。- 万通风机
厂家直销
- 万通风机
提供检验报告
- 万通风机
售后有保障
地址:广州市番禺区沙湾镇动车街33号之二
电话:
防腐轴流风机
PFT35-11型风机叶片采用进口乙烯基树脂(玻璃钢FRP)复合材质、外壳均采用聚丙烯板加热压模焊接而成。具有结构简单、低噪音、安装简便、防腐性能良好、静压及效率高、运转平稳、机械振动小等特点。
轴流式风机
PPT35-11型风机叶片、外壳均采用聚丙烯板加热压模焊接而成。具有结构简单、低噪音、安装简便、防腐性能良好、静压及效率高、运转平稳、机械振动小等特点。
产品规格 / Product Specifications
- FT35-11-2.8A-0.09Kw平和防腐轴流风机
FT35-11-2.8A-0.25Kw南和防腐轴流风机
FT35-11-3.15A-0.12Kw麻栗坡防腐轴流风机
FT35-11-3.15A-0.18Kw额敏防腐轴流风机
FT35-11-3.15A-0.37Kw崇阳防腐轴流风机
FT35-11-3.15A-0.55Kw玛纳斯防腐轴流风机
FT35-11-3.55A-0.18Kw江源防腐轴流风机
FT35-11-3.55A-0.25Kw万盛防腐轴流风机
FT35-11-3.55A-0.75Kw临泉防腐轴流风机
FT35-11-3.55A-1.1Kw玉门防腐轴流风机
FT35-11-4A-0.25Kw孟津防腐轴流风机
FT35-11-4A-0.37Kw志丹防腐轴流风机
FT35-11-4A-1.1Kw方山防腐轴流风机
FT35-11-4A-1.5Kw隆子防腐轴流风机
FT35-11-4.5A-0.37Kw武功防腐轴流风机
FT35-11-4.5A-0.55Kw凤城防腐轴流风机
FT35-11-5A-0.37Kw铜山防腐轴流风机
FT35-11-5A-0.55Kw无锡防腐轴流风机
FT35-11-5A-0.75Kw石龙防腐轴流风机
FT35-11-5.6A-0.37Kw尼木防腐轴流风机
FT35-11-5.6A-0.75Kw寮步防腐轴流风机
FT35-11-5.6A-1.1Kw怀化防腐轴流风机
FT35-11-6.3A-0.75Kw汉川防腐轴流风机
FT35-11-6.3A-2.2Kw安塞防腐轴流风机
FT35-11-7.1A-1.1Kw徐州防腐轴流风机
FT35-11-7.1A-2.2Kw宜君防腐轴流风机
FT35-11-8A-2.2Kw镇康防腐轴流风机
FT35-11-8A-5.5Kw沙河防腐轴流风机
FT35-11-8A-7.5Kw息县防腐轴流风机
FT35-11-9A-3Kw呼图壁防腐轴流风机
FT35-11-9A-4Kw陕西防腐轴流风机
FT35-11-10A-4Kw通山防腐轴流风机
FT35-11-10A-7.5Kw千阳防腐轴流风机
FT35-11-11.2A-7.5Kw烟台防腐轴流风机
FT35-11-11.2A-11Kw琼海防腐轴流风机






