不锈钢静音风机
修改时间:2025-05-28 20:08:00 浏览:2059407次 作者:万通
| 产品名称: | WT-CF-II型不锈钢静音风机 | 产品简介: | CF-II型不锈钢静音风机是一种常用于通风、排气或送风系统的设备,其特点是采用多翼式叶轮设计,通常由不锈钢材质制成,适用于耐腐蚀、耐高温或洁净度要求较高的环境。 一、主要特点 1.材质 • 主体(叶轮、外壳等)采用不锈钢(如304、316等),具有良好的耐腐蚀性,适用于化工、食品、医药、实验室等腐蚀性环境或洁净场合。 2.多翼式叶轮设计 • 叶轮由多个短而宽的叶片组成,运行时风量大、压力适中,噪音较低,适合中低压通风场景。 3.性能参数 • 风量:中到大风量(具体数值根据型号而定,如1000~10000 m³/h)。 • 风压:中等压力(通常几百Pa),适合管道送风或局部排风。 • 转速:一般为单速或可通过变频调节。 4.结构组成 • 电机:通常为全封闭外转子电机,防护等级IP55以上,适应潮湿或粉尘环境。 • 进出风口:可定制圆形或方形接口,方向灵活(如0°、90°、180°可调)。 • 支架/底座:不锈钢或镀锌钢板,确保稳定性。 二、选型注意事项 1.环境需求 • 普通腐蚀环境可选304不锈钢;高腐蚀(如沿海、化工)建议316不锈钢。 • 高温场合需确认电机和轴承的耐温等级(如≤80℃或更高)。 2.性能匹配 • 根据风量、风压需求选择型号,需结合管道阻力计算系统曲线。 • 若噪音敏感,可选配消声器或选择低转速型号。 3.安装方式 • 支持壁挂、管道连接或吊装,需预留检修空间。 4.维护与保养 • 定期清理叶轮积尘或油污,防止动平衡失效。 • 检查电机轴承润滑情况(如需,添加高温油脂)。 • 长期停用时建议断电,避免潮湿环境导致绝缘老化。 三、主要应用领域 1.医疗与实验室环境 • 手术室、无菌病房:耐腐蚀不锈钢材质符合卫生标准,静音设计减少对患者的干扰。 • 生物安全实验室:防止化学气体腐蚀,保障通风系统的安全性。 2.食品与制药行业 • 洁净车间、包装线:抗酸碱、防生锈,满足GMP认证要求。 • 发酵、烘干工艺:耐高温不锈钢材质适应湿热环境。 3.化工与电子工业 • 腐蚀性气体排放(如酸雾、有机溶剂):不锈钢材质延长设备寿命。 • 精密电子制造:低振动设计避免影响敏感仪器。 4.高端商业与住宅 • 酒店、写字楼通风:静音运行(通常≤45分贝)提升舒适度。 • 地下停车场:防潮防腐,适应高湿度环境。 5.环保与能源 • 污水处理厂:抵抗硫化氢等腐蚀性气体。 • 太阳能排气系统:耐候性强,适合户外安装。 |

-
01 质量保证
核心部件均来自国外进口,从源头把控产品质量。产品从生产到出货需经历三道全检工序,严苛的质检体系,确保出厂0误差。下单7天即可交付,急单出货2天内出货,确保交期。
02 企业实力
十余年专注从事玻璃钢风机研发,20000平方米生产基地,年产风机设备3万台以上“万通风机”是制造,质量、服务、信誉AAA企业!获得多项国家专利及资质证书,行业好口碑!
03 服务特色
1对1服务,提供到公司测量性能、震动,提供测试报告,防范故障于未然,保障风机在最佳状况下运转。可针对客户的特殊规格,量身定制设计,确保风机运转于最高效率点。
WT-CF-II不锈钢静音风机 WT-CF-II不锈钢静音风机是本公司为适应日益发展的净化工业及环保降噪的需要而设计制作的。风机在设计时采用噪声、效率等各项气动参数的多目标优化设计方法,实现了整机的最佳性能匹配。具有良好的气动性能,叶轮经严格的动平衡较正,故运转平稳、噪声低、流量大、振动小、寿命长等特点。广泛适用于单位食堂、宾馆酒楼饮食店等公共场所的厨房排风、抽排烟或通风换气之用,并适宜在粮食机械、化工机械、塑料机械等生产设备上使用。用途广泛,适应性强。
WT-CF-II Stainless steel silent fan WT-CF-II Stainless steel silent fanIt is designed and manufactured by our company to meet the needs of the increasingly developing purification industry and environmental protection noise reduction. In the design of the fan the noise efficiency and other aerodynamic parameters of the multi-objective optimization design method to achieve the best performance matching of the whole machine. With good aerodynamic performance the impeller by the strict dynamic balance is more positive so smooth operation low noise large flow small vibration long life and other characteristics. It is widely used in kitchen exhaust smoke exhaust or ventilation in public places such as canteen hotel restaurant etc. and is suitable for use in food machinery chemical machinery plastic machinery and other production equipment. Wide range of uses strong adaptability.
机 号
Model(No)转 速
Speed(r/min)功 率
Power(Kw)流 量
Volume(M3/h)全 压
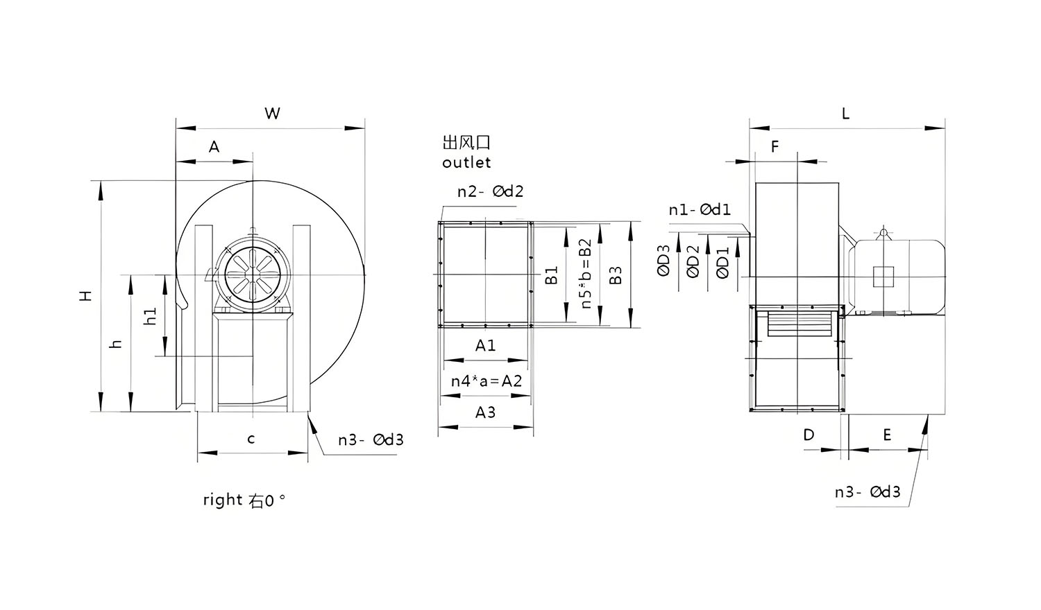
Total pressure(pa)200A 2900 1.1 1800-2100 840-760 250A 2900 2.2 3000-3800 1470-1275 300A 1450 1.5 4000-4500 550-500 350A 1450 1.5 4000-4500 750-600 400A 1450 4 7500-8500 1400-1200 450A 1450 7.5 9000-12000 1500-1300 500A 960 5.5 10000-12000 960-900 600A 960 7.5 11000-13000 1400-1250 外形及安装尺寸示意图 Lnstallation size diagram

产品为人工实物测量会有一定误差,相关数据仅作参考。 单位Unit: mm(毫米)
机号 配用电机 A W C D E F h1 L h H Model Equipped with motor
0度/180 90度 0度 90度 180度 0度 90度 180度 250A 2.2-2 200 436 495 230 40 120 150 110 161 435 305 250 215 502 453 511 300A 1.5-4 238 517 588 350 40 150 135 182 520 365 300 258 602 538 608 350A 3-4 263 589 681 230 40 120 135 226 520 415 350 301 691 63 704 400A 4-4 283 655 774 260 40 150 142 279 584 480 400 344 796 683 801 450A 7.5-4 315 734 867 300 40 180 175 332 690 535 450 387 890 765 897 500A 5.5-6 353 818 970 350 40 220 241 338 861 600 500 430 995 853 1003 600A 7.5-6 438 996 1156 410 50 250 241 405 936 705 600 516 1179 1038 1196 机号 配用电机 进风口尺寸 Air inlet 出风口尺寸 Vent Model Equipped
with motorD1 D2 D3 n1-d1 A1 A2 n4*a A3 B1 B2 n5*b
B3 n2-Φd2 n3-Φd3 200A 1.1-2 140 165 190 8-Φ8 125 150 2*75 175 140 166 2*83 190 8-Φ8 4-Φ10 250A 2.2-2 190 220 250 8-Φ8 135 166 2*83 195 210 240 3*80 270 10-Φ8 4-Φ10 300A 1.5-4 220 250 280 8-Φ8 185 200 2*110 245 275 309 3*103 335 10-Φ8 4-Φ10 350A 3-4 270 300 330 8-Φ8 185 220 2*110 245 295 330 3*110 355 10-Φ8 4-Φ10 400A 4-4 300 330 360 8-Φ8 200 236 2*118 260 295 330 3*110 355 10-Φ10 4-Φ12 450A 7.5-4 330 365 400 8-Φ10 245 280 2*140 305 295 330 3*110 355 10-Φ10 4-Φ12 500A 5.5-6 360 395 430 8-Φ10 375 420 2*140 455 390 435 3*145 470 12-Φ10 4-Φ12 600A 7.5-6 500 535 570 8-Φ10 375 420 2*140 455 470 510 3*170 550 12-Φ10 4-Φ15
在线留言
联系我们
如果您对不锈钢静音风机的技术参数或其他问题感兴趣,请留下您的详细信息,我们将在24小时内安排销售经理给您回复。- 万通风机
厂家直销
- 万通风机
提供检验报告
- 万通风机
售后有保障
地址:广州市番禺区沙湾镇动车街33号之二
电话:







