耐腐蚀风机
修改时间:2025-05-28 20:08:00 浏览:2725161次 作者:万通
| 产品名称: | HGF4-72型C式耐腐蚀风机 | 产品简介: | HGF4-72型C式耐腐蚀风机是专为强腐蚀性环境设计的高效离心风机,采用玻璃钢(FRP)材质,适用于化工、电镀、制药等行业的腐蚀性气体处理。其皮带传动(C式)设计便于调速和维护,是腐蚀性介质输送的理想设备。 1. 型号含义 • H:化工专用型(Heavy-duty)。 • G:高级防腐处理(Glass Fiber Reinforced)。 • F:玻璃钢:材质为FRP(纤维增强塑料),具有耐酸碱、防腐蚀等特点。 • 4:代表风机的压力系数(中低压范围)。 • 72:代表风机的比转速(属于高效率风机系列)。 • C式:驱动方式为皮带传动(电机通过皮带轮带动叶轮); 2. 结构特点 • 叶轮:采用玻璃钢模压成型,叶片为后倾式,效率高、运行平稳。 • 机壳:玻璃钢材质,耐腐蚀性强,适用于化工、电镀、实验室等腐蚀性气体环境。 • C式传动:电机与风机分离,通过皮带轮变速,便于调整风量和风压。 • 进风口:通常为锥形,减少气流入口损失。 • 支架:碳钢材质(表面防腐处理)或全玻璃钢,根据需求定制。 3. 性能参数 • 风量范围:约1000~130000 m³/h(具体因型号大小而异); • 风压范围:500~3000 Pa; • 适用温度:一般≤60℃(耐高温型可定制); • 转速:通常为2900/1450 rpm(可通过皮带轮调整)。 4. 应用场景 • 化工行业:废气排放、酸雾处理; • 电镀车间:腐蚀性气体抽排; • 实验室通风:有害气体排除; • 污水处理:臭气收集与输送; • 冶金、电子:高温或腐蚀性环境通风。 5. 选型注意事项 • 气体性质:确认介质的腐蚀性、温度及含尘量; • 风量风压:根据系统阻力计算需求,避免选型过大或不足; • 安装方式:水平或垂直安装,需预留检修空间; • 电机防护:潮湿或腐蚀环境需选用防爆或防腐电机。 6. 维护要点 • 定期检查:皮带松紧度、轴承润滑(油脂需耐腐蚀); • 清洁叶轮:防止积灰或腐蚀物附着影响动平衡; • 避免空转:玻璃钢叶轮长时间空转可能变形。 7. 对比其他类型 • 与钢制风机对比:玻璃钢风机耐腐蚀但强度较低,不适用于高温或高磨损环境; • 与A式(直联)对比:C式皮带传动更灵活调速,但维护略复杂。 |

-
-
01 CRC质量管理体系认证
风机测试符合JB/T 10563-2006国家标准的要求,风机设备连续运行24小时不损坏,长久使用寿命,节能高效(省电),为您创造利润,节省成本。全机组进行电脑应力应变分析,提高结构强度。
-
02 保养操作简单
采用油浴封闭式的机油箱,保护轴承与轴芯不受腐蚀性气体的侵蚀,延长使用寿命,降低故障频率,模组化生产,规格统一,零配件材料齐全,可在短时间内、节约成本,快速完成安装维修。
-
03 提供服务团队
1对1服务,提供到公司测量性能、震动,提供测试报告,防范故障于未然,保障风机在最佳状况下运转。可针对客户的特殊规格,量身定制设计,确保风机运转于最高效率点。
HGF4-72型C式耐腐蚀风机 HGF4-72型C式耐腐蚀风机采用进口乙烯基树脂(玻璃钢FRP)复合材质制作而成,它具有强度高、重量轻、耐腐蚀性能良好、不易老化、噪声低等特点,是较理想的新型防腐蚀风机,叶轮采用水冷座或油冷座经角带与电机传动。其好处是减少腐蚀电机、减速、降低电机负荷等作用,从而增加风机使用寿命。
HGF4-72 C-type corrosion-resistant fan HGF4-72 C-type corrosion-resistant fan is made of imported vinyl resin (FRP) composite material, which has the characteristics of high strength, light weight, good corrosion resistance, not easy to aging, low noise, is an ideal new type of corrosion resistant fan, the impeller is water-cooled or oil-cooled by Angle belt and motor drive. The advantage is to reduce corrosion of the motor, deceleration, reduce the motor load and other effects, so as to increase the service life of the fan
机 号
Model(No)功 率
Power(Kw)转 速
Speed(r/min)流 量
Volume(M3/h)全 压
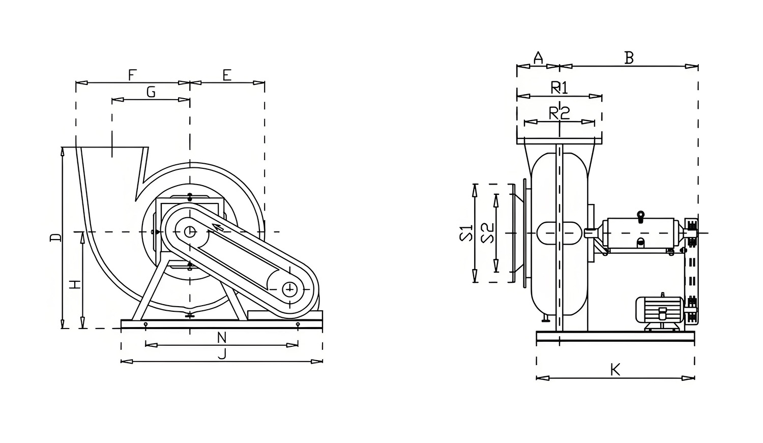
Pressure(Pa)3C 2.2 2900 1050-2062 1158-387 1.1 1450 525-1031 290-97 4C 3 2900 3065-5701 1842-646 1.1 1450 1532-2851 460-162 5C 7.5 2600 8100-12960 1152-2160 2.2 1120 4500-7200 320-600 6C 15 2100 10939-16055 2490-1119 11 2000 9945-16055 2092-940 7.5 1800 8951-14449 1694-761 5.5 1600 7956-12844 1339-601 4 1450 7210-11640 1099-494 3 1250 6216-10034 817-367 7C 15 1600 10748-20009 1931-823 11 1450 9572-17820 1555-662 7.5 1250 8397-15632 1179-502 5.5 1120 7524-14006 946-403 8C 22 1600 23622-35411 2508-1170 18.5 1450 22098-33126 2195-1024 15 1400 20345-30499 1875-875 11 1250 18593-27872 1554-725 7.5 1120 16002-23988 1151-537 5.5 1000 13716-20561 846-395 10C 30 1120 32000-40000 1900-1500 18.5 1000 29000-36000 1500-1200 15 900 26000-32000 1200-1000 11 800 22000-29000 1050-800 12C 55 1000 49000-68000 1900-1800 37 900 44000-61000 1800-1400 30 800 39000-54000 1400-1200 18.5 710 35000-48000 1100-900 15 630 31000-43000 900-700 11 560 30000-38000 746-640 14C 110 1000 77785-108374 3235-2611 75 900 61993-86771 2171-1717 55 800 55105-77129 1713-1355 37 710 48906-68452 1347-1067 外形及安装尺寸示意图 Lnstallation size diagram

产品为人工实物测量会有一定误差,相关数据仅作参考。 单位Unit: mm(毫米)
机 号 入风口 Air inlet 出风口 Vent 机架尺寸 Frame size 90o向本体尺寸 90degree dimension to body size NO S1 S2 R1 R2 J N K A B C D E F G H 3C 343 243 330 243 900 700 520 120 510 320 780 250 387 222 480 4C 400 300 427 340 953 783 515 215 573 440 942 320 500 330 565 5C 500 400 505 405 953 783 513 215 585 520 1117 320 500 330 645 6C 615 500 655 530 1198 905 687 265 756 685 1342 492 785 482 730 7C 720 600 725 605 1347 1145 765 360 868 697 1448 572 843 540 815 8C 860 720 830 735 1400 1197 775 420 930 838 1685 670 1065 645 950 10C 1045 900 1000 885 1800 1503 1455 512 1127 990 2047 818 1215 703 1110 12C 1200 1080 1220 1100 2400 2100 1710 610 1370 1140 2372 968 1365 762 1255 -
在线留言
联系我们
如果您对耐腐蚀风机的技术参数或其他问题感兴趣,请留下您的详细信息,我们将在24小时内安排销售经理给您回复。- 万通风机
厂家直销
- 万通风机
提供检验报告
- 万通风机
售后有保障
地址:广州市番禺区沙湾镇动车街33号之二
电话:
玻璃钢通风机
F4-72型C式采用进口树脂(玻璃钢FRP)复合材质制作而成,C式风机叶轮采用水冷座或油冷座经角带与电机传动,从而增加风机使用寿命。
耐酸碱风机
F4-72型C式风机测试符合JB/T 10563-2006国家标准的要求,风机设备连续运行24小时不损坏,长久使用寿命,节能高效(省电),为您创造利润,节省成本。全机组进行电脑应力应变分析,提高结构强度。
防腐风机
HGF4-72型C式采用油浴封闭式的机油箱,保护轴承与轴芯不受腐蚀性气体的侵蚀,延长使用寿命,降低故障频率,模组化生产,规格统一,零配件材料齐全,可在短时间内、节约成本,快速完成安装维修。
耐腐蚀风机
HGF4-72型C式我厂可针对客户的特殊规格,量身定制设计,确保风机运转于最高效率点。
产品规格 / Product Specifications
- HGF4-72-3C-2.2Kw云南耐腐蚀风机
HGF4-72-4C-1.1Kw合山耐腐蚀风机
HGF4-72-4C-3Kw昂仁耐腐蚀风机
HGF4-72-5C-2.2Kw罗田耐腐蚀风机
HGF4-72-5C-7.5Kw洪江耐腐蚀风机
HGF4-72-6C-1.1Kw桦甸耐腐蚀风机
HGF4-72-6C-2.2Kw武冈耐腐蚀风机
HGF4-72-6C-3Kw庆云耐腐蚀风机
HGF4-72-6C-4Kw龙岗耐腐蚀风机
HGF4-72-6C-5.5Kw泾川耐腐蚀风机
HGF4-72-6C-7.5Kw柳州耐腐蚀风机
HGF4-72-6C-11Kw会宁耐腐蚀风机
HGF4-72-7C-4Kw金川耐腐蚀风机
HGF4-72-7C-5.5Kw崇信耐腐蚀风机
HGF4-72-7C-7.5Kw遂宁耐腐蚀风机
HGF4-72-7C-11Kw靖边耐腐蚀风机
HGF4-72-7C-15Kw合阳耐腐蚀风机
HGF4-72-8C-2.2Kw双鸭山耐腐蚀风机
HGF4-72-8C-3Kw隆昌耐腐蚀风机
HGF4-72-8C-5.5Kw额敏耐腐蚀风机
HGF4-72-8C-7.5Kw滦南耐腐蚀风机
HGF4-72-8C-11Kw蒲县耐腐蚀风机
HGF4-72-8C-15Kw凤台耐腐蚀风机
HGF4-72-8C-18.5Kw稻城耐腐蚀风机
HGF4-72-8C-22Kw武义耐腐蚀风机
HGF4-72-8C-30Kw沙洋耐腐蚀风机
HGF4-72-10C-11Kw双峰耐腐蚀风机
HGF4-72-10C-15Kw辛集耐腐蚀风机
HGF4-72-10C-18.5Kw阿克苏耐腐蚀风机
HGF4-72-10C-30Kw千阳耐腐蚀风机
HGF4-72-12C-11Kw涿鹿耐腐蚀风机
HGF4-72-12C-15Kw敦煌耐腐蚀风机
HGF4-72-12C-18.5Kw广东耐腐蚀风机
HGF4-72-12C-30Kw延吉耐腐蚀风机
HGF4-72-12C-37Kw佳木斯耐腐蚀风机
HGF4-72-12C-55Kw横栏耐腐蚀风机
HGF4-72-14C-37Kw达日耐腐蚀风机
HGF4-72-14C-55Kw团风耐腐蚀风机
HGF4-72-14C-75Kw漳浦耐腐蚀风机
HGF4-72-14C-110Kw牟定耐腐蚀风机







