高压离心风机
修改时间:2025-05-28 20:08:00 浏览:2098734次 作者:万通
| 产品名称: | PP6-30型C式高压离心风机 | 产品简介: | PP6-30型C式高压离心风机采用聚丙烯(PP)塑料制造,具有极强的耐酸碱、耐化学腐蚀性能,适用于化工、电镀、制药、实验室等强腐蚀性气体环境。其高压离心式设计使其适用于高阻力、长距离管道送排风,C式传动(皮带轮驱动)便于调整风量和维护。 一、主要应用场景 1. 化工行业 • 盐酸、硫酸、硝酸等酸性气体排放 • 氯气、氨气等有毒有害气体处理 • 反应釜、储罐通风 2. 电镀与表面处理 • 铬酸、氰化物废气排放 • 酸洗、磷化车间通风 3. 环保与废气处理 • 配套洗涤塔、活性炭吸附塔 • 实验室通风柜排气 4. 其他特殊环境 • 制药厂溶剂回收 • 污水处理厂(H₂S、Cl₂等腐蚀性气体) • 电池生产车间(铅酸、锂电废气) 二、产品特点 1. 材质优势 • 全PP(聚丙烯)结构,耐强酸(如盐酸、硫酸)、强碱(如氢氧化钠)、有机溶剂(如丙酮、苯类)。 • 相比玻璃钢(FRP),PP更耐部分有机溶剂,且成本较低。 2. 高压离心设计 • 6-30型高压叶轮,风压高(可达1430~4260Pa),适合长管道或高阻力系统(如搭配废气处理设备)。 • 风量范围:1470~11300m³/h(具体取决于型号大小)。 3. C式传动(皮带轮驱动) • 电机外置,通过皮带传动,避免腐蚀性气体侵蚀电机。 • 可更换皮带轮调整转速,灵活控制风量风压。 4. 结构设计 • 进风口轴向,出风口径向(可定制角度),便于管道连接。 • 可选配防爆电机(ExdⅡBT4)用于易燃易爆环境。 5. 维护便捷 • PP材质可焊接修补,叶轮可拆卸清洗。 • 电机与风机分离,方便检修更换。 三、选型与安装要点 1. 选型关键因素 • 气体成分:是否含强酸、强碱、有机溶剂或易燃易爆成分? • 风量与风压需求:根据管道长度、弯头数量、废气设备阻力计算。 • 温度范围:PP材质适用-10℃~80℃,高温环境需定制耐热PP或FRP。 2. 安装方式 • 支架固定:需防震基础,避免振动导致PP壳体开裂。 • 管道连接:出风口可配法兰(PP或PVC),避免金属螺栓腐蚀。 • 防雨措施:户外安装需加防雨罩,防止雨水进入电机。 3. 维护与寿命 • 定期检查:皮带松紧度、叶轮腐蚀情况、螺栓紧固状态。 • 清洁:停机时清理叶轮附着物,避免动平衡失调。 • 寿命:正常使用可达5~8年,强腐蚀环境建议3~5年更换。 |

-
01 CRC质量管理体系认证
风机测试符合JB/T 10563-2006国家标准的要求,风机设备连续运行24小时不损坏,长久使用寿命,节能高效(省电),为您创造利润,节省成本。全机组进行电脑应力应变分析,提高结构强度。
02 保养操作简单
采用紧凑的叶轮设计结构满足风机的高转速运行。叶片设计风量大,延长使用寿命,降低故障频率,模组化生产,规格统一,零配件材料齐全,可在短时间内、节约成本,快速完成安装维修。
03 提供服务团队
1对1服务,提供到公司测量性能、震动,提供测试报告,防范故障于未然,保障风机在最佳状况下运转。可针对客户的特殊规格,量身定制设计,确保风机运转于最高效率点。
PP6-30-C型高压风机 PP6-30-C型高压风机具有强度高、重量轻、耐腐蚀性能好、不易老化、噪音低等特点,是一种较理想的新型防腐蚀风机,该系列风机适用于化工、纺织、电镀、实验室等场所排送含有一定浓度的酸、碱、盐等腐蚀性气体。不允许用来排除含芳香族化合物、脂肪族与芳香碳氢化合物的卤素衍生物、酮类等腐蚀性气体。风机使用温度为≤40℃,且避免阳光暴晒,现场附近不得有热源。
PP6-30-C High pressure air blower PP6-30-C High pressure air blowerWith the characteristics of high strength light weight good corrosion resistance not easy to age low noise is an ideal new type of anti-corrosion fan the series of fans are suitable for chemical industry textile electroplating laboratory and other places containing a certain concentration of acid alkali salt and other corrosive gases. It is not permitted to exclude corrosive gases such as halogen derivatives and ketones containing aromatic compounds aliphatic and aromatic hydrocarbons. The operating temperature of the fan is≤50℃ and avoid sun exposure no heat source near the site.
机 号
Model(No)功 率
Power(Kw)转 速
Speed(r/min)流 量
Volume(M3/h)全 压
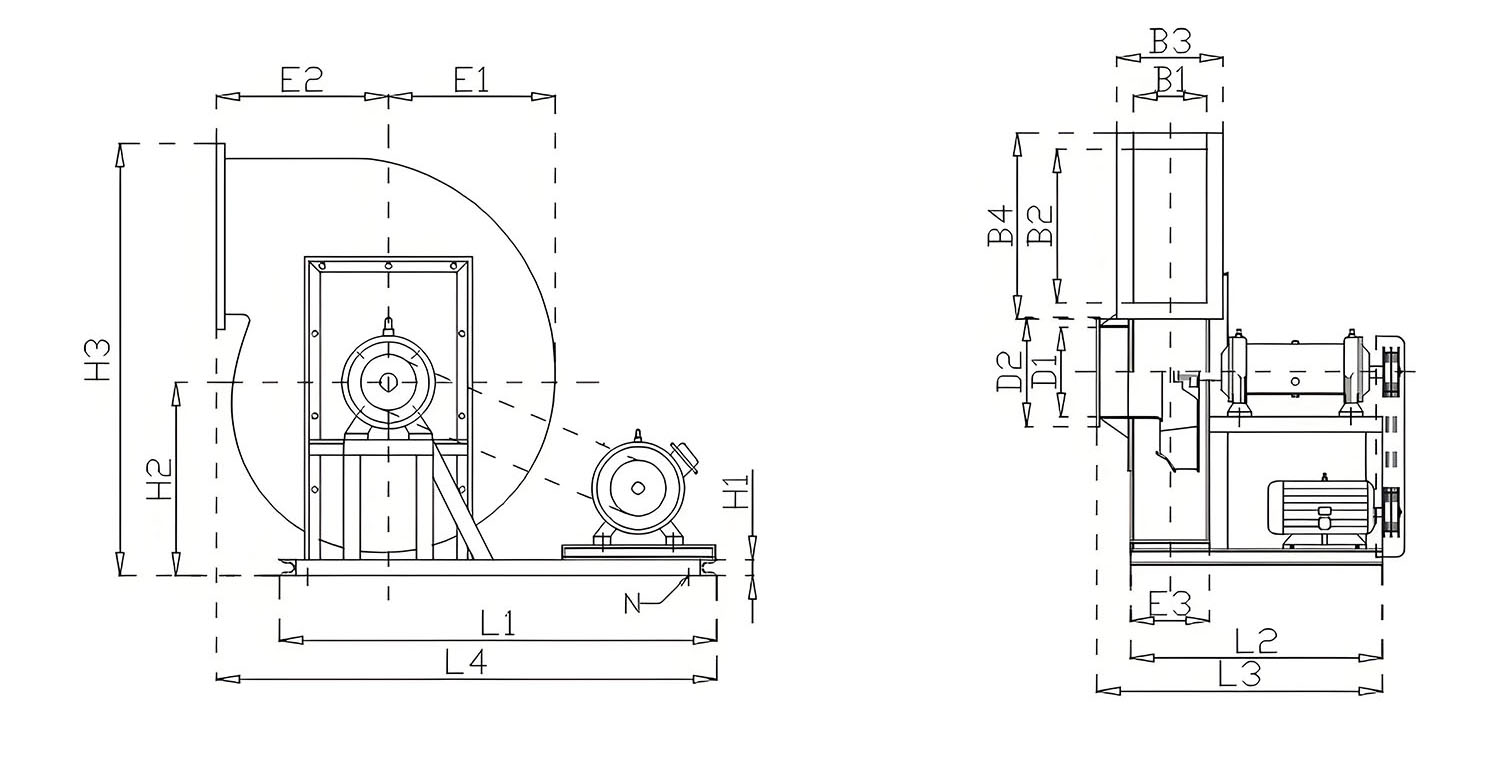
Pressure(Pa)5.5A 7.5 2900 2165-7722 4460-3060 1.5 1450 1034-3690 1140-790 5.5C 7.5 2500 11845-6582 3240-2230 4 2000 1476-5266 2080-1430 6.3A 2.2 1450 1555-5545 1320-920 6.3C 11 2500 2776-9902 4260-2960 7.5 2000 2221-7922 2720-1870 7.1A 5.5 1450 2225-7937 1690-1160 7.1C 15 2000 3179-11393 3470-2380 11 1800 2861-10205 2810-1930 外形及安装尺寸示意图 Lnstallation size diagram

产品为人工实物测量会有一定误差,相关数据仅作参考。 单位Unit: mm(毫米)
机号 进风口 出风口 外形尺寸 底架尺寸 NO D1 D2 B1 B2 B3 B4 E1 E2 E3 H2 H3 L3 L4 H1 L1 L2 N 5.5C 195 295 179 283 256 360 545 245 195 472 1068 530 1160 60 1107 448 M12 6.3C 240 345 237 333 314 410 597 435 202 550 1204 660 1410 60 1305 594 M12 7.1C 280 380 283 381 360 460 650 515 210 628 1340 680 1660 80 1503 740 M12
在线留言
联系我们
如果您对高压离心风机的技术参数或其他问题感兴趣,请留下您的详细信息,我们将在24小时内安排销售经理给您回复。- 万通风机
厂家直销
- 万通风机
提供检验报告
- 万通风机
售后有保障
地址:广州市番禺区沙湾镇动车街33号之二
电话:
塑料高压风机
PP6-30型A式参照金属6-30性能参数采用聚丙烯板,加热压模焊接而成。可输送含有一定浓度的酸、碱、盐及化学成分的腐蚀性有毒气体。
高压离心风机
PP6-30型C式具有强度高、重量轻、耐腐蚀性能好、不易老化、噪音低等特点,是一种较理想的新型防腐蚀风机。应用于化工、电镀、氧化、发电厂、化 验室、线路板、环保设备等含有腐蚀性气体的场所。







