高效防腐风机
修改时间:2025-05-28 20:08:00 浏览:2156630次 作者:万通
| 产品名称: | WT4-72型C式高效防腐风机 | 产品简介: | WT4-72型C式塑料高效防腐风机是一种离心式通风机,风机蜗壳、风轮采用PP(聚丙烯)或PE(聚乙烯)塑料材质模压一体成型制造,具有高效、耐腐蚀、防锈等特点,适用于强酸、强碱、高温、潮湿等恶劣环境下的通风排气。 一、主要应用场景 1. 化工行业 • 酸雾、碱雾、有机溶剂废气排放(如硫酸、盐酸、硝酸等腐蚀性气体)。 • 电镀厂、化工厂、制药厂等腐蚀性车间的通风换气。 2. 环保行业 • 污水处理厂(排放硫化氢、氨气等腐蚀性气体)。 • 垃圾焚烧厂、废气处理系统的配套风机。 3. 冶金、电子行业 • 金属酸洗车间、PCB电路板蚀刻工艺排风。 • 半导体、锂电池生产过程中的腐蚀性气体处理。 4. 食品、医药行业 • 食品发酵车间(耐潮湿、防腐蚀)。 • 制药厂洁净车间排风(PP材质符合GMP标准)。 二、产品特点 1. 材质优势 • PP(聚丙烯)或FRP(玻璃钢):耐酸碱、抗氧化,适用于pH 1~14的腐蚀性环境。 • 重量轻:相比金属风机,更便于安装和运输。 • 无锈蚀:长期在潮湿、盐雾环境下仍能稳定运行。 2. 结构设计 • C式传动:电机与风机直联,结构紧凑,维护方便。 • 离心叶轮:高效风压,适用于中长距离管道送排风。 • 防爆可选:ExdⅡBT4防爆电机,适用于易燃易爆环境(如石油化工)。 3. 性能参数 • 风量范围:1000~50000m³/h(视型号而定)。 • 风压范围:500~3000Pa(中高压,适用于管道系统)。 • 耐温范围:PP材质一般-10℃~60℃,FRP可达-20℃~120℃(特殊型号可更高)。 4. 节能低噪音 • 优化叶轮设计,运行效率高,能耗低。 • 噪音控制在75dB(A)以下,符合工业环境要求。 三、选型与安装要点 1. 选型关键参数 • 风量(m³/h):根据车间换气次数或废气排放量计算。 • 风压(Pa):需考虑管道阻力、弯头数量等。 • 介质成分:如含强酸(盐酸、硫酸)、有机溶剂(丙酮、苯类)等,需选择对应耐腐蚀材质。 • 温度要求:高温环境需选耐高温PP或FRP材质。 2. 安装方式 • 管道连接:进风口和出风口可配法兰,便于对接风管。 • 支架固定:需稳固安装,避免振动过大。 • 防震措施:可加装减震垫或弹簧减震器。 3. 维护与保养 • 定期检查:叶轮是否积尘、腐蚀,电机是否正常润滑。 • 清洁方法:可用清水或中性清洁剂冲洗,避免强溶剂擦拭。 • 破损修复:PP材质可用塑料焊枪修补,FRP可用环氧树脂修复。 |

-
-
01 CRC质量管理体系认证
风机测试符合JB/T 10563-2006国家标准的要求,风机设备连续运行24小时不损坏,长久使用寿命,节能高效(省电),为您创造利润,节省成本。全机组进行电脑应力应变分析,提高结构强度。
02 保养操作简单
采用紧凑的叶轮设计结构满足风机的高转速运行。叶片设计风量大,延长使用寿命,降低故障频率,模组化生产,规格统一,零配件材料齐全,可在短时间内、节约成本,快速完成安装维修。
-
03 提供服务团队
1对1服务,提供到公司测量性能、震动,提供测试报告,防范故障于未然,保障风机在最佳状况下运转。可针对客户的特殊规格,量身定制设计,确保风机运转于最高效率点。
WT4-72-C型高效防腐风机 WT4-72-C型高效防腐风机是我司自主研发的一款高效率、高性能、低耗能环保风机。风机蜗壳和风轮采用模压一体成型,进出风都采用标准圆形接口(160、200、250、300)非常方便接标准的塑料管道。该系列风机为圆形接口单进风离心风机,采用后倾离心风轮与电机直连,客户可以根据自身需要调整出风口的角度。该系列风机具有强度高、效率高、能耗低、噪音低、重量轻、风量风压大、不易老化、运转平稳、耐腐蚀性能良好、便于安装等特点。用于输送或排放腐蚀性和高湿度的烟气、雾汽或化工酸碱异味气体。所输送气体不允许含有粘性物质、所含粉尘及硬质颗粒≤150mg/m3、气体温度≤60℃、相对湿度≤100%。
WT4-72-C High efficiency anticorrosive fan WT4-72-C High efficiency anticorrosive fan It is a high efficiency high performance low energy consumption and environmental protection fan independently developed by our company. The fan volute and the wind wheel are molded into one body and the air inlet and outlet adopt standard circular interfaces (160 200 250 300) which are very convenient to connect with standard plastic pipes. This series of fan is circular interface single inlet centrifugal fan using backward centrifugal wheel and motor directly connected customers can adjust the Angle of the outlet according to their own needs. This series of fans have the characteristics of high strength high efficiency low energy consumption low noise light weight high air volume and pressure not easy to age stable operation good corrosion resistance easy to install and so on. Used to transport or discharge corrosive and high humidity flue gas fog or chemical acid and base odor gas. The transported gas is not allowed to contain viscous substances dust and hard particles≤150mg/m3 gas temperature≤60℃ relative humidity≤100%.
机 号
Model(No)功 率
Power(Kw)转 速
Speed(r/min)流 量
Volume(M3/h)全 压
Pressure(Pa)噪 音
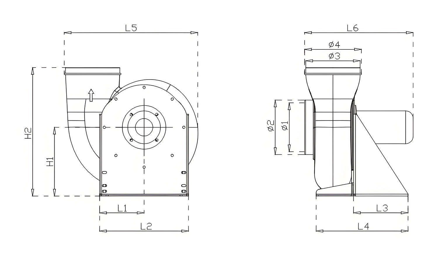
Noise(db)400C 1.1 1450 3400-1863 65-406 69 1.5 1450 3869-1940 78-497 70 3 2800 6563-3597 243-1515 82 500C 1.5 1450 6329-4039 135-563 73 2.2 1450 6950-4307 156-635 75 7.5 2800 12660-7354 543-2423 88 600C 1.1 960 7921-4154 79-396 68 3 1450 11964-6274 182-904 80 4 1450 13768-6950 198-967 82 5.5 1450 14580-7235 212-1023 85 外形及安装尺寸示意图 Lnstallation size diagram

产品为人工实物测量会有一定误差,相关数据仅作参考。 单位Unit: mm(毫米)
机号 入风口 Air inlet 出风口 Vent 底架尺寸 Frame size 外形尺寸 Shape size NO Φ1 Φ2 Φ3 Φ4 L1 L2 L3 L4 L5 L6 H1 H2 400C 360 400 380 405 254 508 300 327 534 821 400 800 500C 455 500 480 505 304 608 300 385 1025 785 495 995 600C 560 600 585 605 369 738 300 440 1234 873 590 1195 -
在线留言
联系我们
如果您对高效防腐风机的技术参数或其他问题感兴趣,请留下您的详细信息,我们将在24小时内安排销售经理给您回复。- 万通风机
厂家直销
- 万通风机
提供检验报告
- 万通风机
售后有保障
地址:广州市番禺区沙湾镇动车街33号之二
电话:
节能耐腐蚀风机
FPE型C式可输送硫酸、硫磺酸、硝酸、氮酸、氢氟酸、鲍里斯酸、氢氰酸、盐酸,氨、苏打、乙醇、氢氧化钾、甲醇、丙烷、苯、甲醛等腐蚀性有毒气体。
塑料防腐风机
HPE型C式广泛应用于科研、化工、电镀、冶金、电子、医药、实验室通风柜以及环保配套设备等含有腐蚀性气体的场所。
通用防腐风机
WT4-72型A式风机蜗壳、风轮采用模压一体成型,进出风都采用标准圆形接口(160、200、250、300)非常方便接标准的塑料管道。
节能高效风机
HPE型A式具有强度高、能耗低、效率高、噪音低、重量轻、风量风压大、不易老化、运转平稳、耐腐蚀性能良好、便于安装等特点。



