不锈钢保温风机
修改时间:2025-05-28 20:08:00 浏览:1693928次 作者:万通
| 产品名称: | 4-72A\D型不锈钢保温风机 | 产品简介: | 不锈钢保温风机是一种特殊设计的通风设备,结合了耐腐蚀、耐高温的不锈钢材质和保温功能,广泛应用于需要温度控制或防腐蚀的工业环境中。 1. 核心特点 • 不锈钢材质: • 通常采用304或316不锈钢,具有优异的耐腐蚀性(适用于化工、食品、医药等潮湿或腐蚀性环境)。 • 保温设计: • 风机外壳或风道内置保温层(如岩棉、玻璃棉、聚氨酯等),减少热量损失,维持气体或环境温度稳定。 • 耐高温性: • 可处理高温气体(一般可达200°C以上,具体取决于保温材料和不锈钢型号)。 2. 主要类型 • 离心式保温风机: • 高压、大风量,适合管道送风或排风(如烘干线、热风循环系统)。 • 轴流式保温风机: • 风量大、压力低,用于通风散热(如车间、温室)。 • 防爆型保温风机: • 适用于易燃易爆环境(如石油、化工行业)。 3. 应用场景 • 工业烘干: • 食品烘干、电镀烘干线等需保持高温气流的场景。 • 化工行业: • 腐蚀性气体排放或工艺通风。 • 暖通系统: • 锅炉房、热力站的热风输送。 • 食品医药: • 卫生级要求高的环境,需防锈且保温的通风。 4. 选型要点 • 温度范围: • 根据介质温度选择不锈钢材质(如316L耐更高温)和保温层厚度。 • 风量与风压: • 根据系统需求计算,避免过载或效率不足。 • 密封性: • 保温层需密封防潮,避免冷凝水腐蚀。 • 电机防护: • 高温环境下需选用耐高温电机或外置电机。 5. 维护与注意事项 • 定期检查: • 保温层是否破损,不锈钢表面有无腐蚀。 • 清洁: • 避免灰尘堵塞影响散热(尤其食品行业需符合卫生标准)。 • 防冷凝: • 停机时注意排空湿气,防止保温层内结露。 |

-
01 质量保证
核心部件均来自国外进口,从源头把控产品质量。产品从生产到出货需经历三道全检工序,严苛的质检体系,确保出厂0误差。下单7天即可交付,急单出货2天内出货,确保交期。
02 企业实力
十余年专注从事玻璃钢风机研发,20000平方米生产基地,年产风机设备3万台以上“万通风机”是制造,质量、服务、信誉AAA企业!获得多项国家专利及资质证书,行业好口碑!
03 服务特色
1对1服务,提供到公司测量性能、震动,提供测试报告,防范故障于未然,保障风机在最佳状况下运转。可针对客户的特殊规格,量身定制设计,确保风机运转于最高效率点。
4-72A不锈钢保温风机 4-72A不锈钢保温风机不锈钢保温风机是在4-72系列离心式通风机的基础上增加方形保温箱体,它在对于输送含有热量气体的场合,能有效减少由进风口到出风口热量的散失,从而确保气体温度的稳定性。广泛应用于烘干炉、工业烤炉送风、热循环系统等。
4-72A Stainless steel insulated fan 4-72A Stainless steel insulated fanStainless steel heat preservation fan is in 4-72 series of centrifugal fan on the basis of the increase of square insulation box it in the delivery of gas containing heat can effectively reduce the heat loss from the inlet to the outlet so as to ensure the stability of gas temperature. Widely used in drying oven industrial oven air supply heat circulation system etc.
机 号
Model(No)转 速
Speed(r/min)功 率
Power(Kw)机座号
Poles frame size-p流 量
Volume(M3/h)全 压
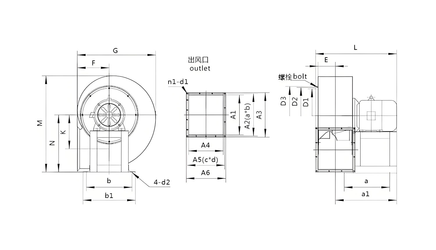
Total pressure(pa)2.5A 2900 0.75-2 80M-2 805-1677 792-483 2.8A 2900 1.5-2 90S-2 1131-2356 994-606 3.2A 2900 2.2-2 90L-2 1688-3517 1300-792 1450 1.1-4 90S-4 844-1758 324-198 3.6A 2900 3.0-2 100L-2 2664-5268 1578-989 1450 1.1-4 90S-4 1332-2634 393-247 4A 2900 5.5-2 132S-2 4012-7419 2014-1320 1450 1.1-4 90S-4 2006-3709 501-329 4.5A 2900 7.5-2 132S-2 5712-10562 2554-1571 1450 1.1-4 90S-4 2856-5281 634-416 5A 2900 15.0-2 160M-2 7728-15455 3187-2019 1450 2.2-4 100L-4 3864-7728 790-502 5.6A 1450 3.0-4 100L-4 7061-9885 957-759 6A 1450 4.0-4 112M-4 6677-13353 1139-724 960 1.5-6 100L-6 4420-8841 498-317 6.3A 1450 5.5-4 132S-4 8052-13028 1239-921 960 1.5-6 100L-6 5331-8626 542-403 7.1A 1450 11.0-4 160M-4 12676-20513 1572-1168 960 3.0-6 132S-6 8392-13581 689-512 6D 1450 4.0-4 112M-4 6677-13353 1572-1168 960 1.5-6 100L-66 4420-8841 498-317 8D 1450 18.5-4 180M-4 15826-29344 2032-1490 960 5.5-6 132M-6 10478-19428 887-651 730 3.0-8 132M-8 7968-14773 512-376 10D 1450 55-4 250M-4 40441-56605 3202-2532 960 18.5-6 200L-6 26775-37476 1395-1104 730 7.5-8 160L-8 20360-28497 805-637 12D 960 45.0-6 280S-6 46267-64759 2013-1593 730 18.5-8 225S-8 35182-49244 1160-919 外形及安装尺寸示意图 Lnstallation size diagram

产品为人工实物测量会有一定误差,相关数据仅作参考。 单位Unit: mm(毫米)
机号 进风口尺寸 Air inlet 出风口尺寸 Vent NO D1 D2 D3 螺栓 个数 A1 A2 A3 A4 A5 A6 a*b c*d n1-d1 2.5 248 280 309 M6 8 209 237 266 171 200 228 79*3 100*2 10-Φ11 2.8 282 310 333 M6 8 228 259 286 200 228 260 64*4 77*3 14-Φ11 3.2 325 252 370 M6 6 255 286 313 218 247 280 74*4 84*3 14-Φ11 3.6 368 387 413 M8 16 294 324 352 250 278 310 81*4 70*4 16-Φ11 4 409 437 460 M8 16 329 360 388 285 315 340 72*5 79*4 18-Φ11 4.5 446 492 515 M8 16 363 395 422 320 348 380 78*5 88*4 18-Φ11 5 500 540 565 M8 16 405 435 464 356 384 416 109*4 97*4 18-Φ11 5.6 562 593 624 M8 16 450 497 531 370 422 485 80*6 88*5 18-Φ11 6 603 640 660 M8 16 483 532 563 427 478 508 106.4*5 95.6*5 20-Φ11 6.3 640 667 698 M8 16 494 542 566 441 485 509 108*5 97*5 20-Φ11 7.1 730 755 795 M8 16 568 621 662 497 554 593 125*5 110*5 20-Φ11 机号 外形及安装尺寸 Shape and installation dimensions Model G M F L N K E a b a1 b1 d2 2.5 416 520 171 450 320 175 88 200 225 260 250 Φ10 2.8 477 600 210 480 350 197 174 100 256 320 280 Φ10 3.2 546 670 236 530 400 230 195 110 255 340 280 Φ10 3.6 599 752 253 600 450 253 222 123 275 360 300 Φ10 4 680 810 295 700 500 312 251 140 370 410 406 Φ10 4.5 756 925 327 733 570 354 312 157 370 430 406 Φ12 5 825 1040 343 860 625 354 354 175 440 530 480 Φ12 5.6 916 1130 384 746 680 390 394 196 380 500 430 Φ12 6 980 1210 408 740 745 420 385 210 375 450 420 Φ12 6.3 1017 1300 432 915 790 440 411 220 480 630 520 Φ15 7.1 1202 1450 522 1040 880 795 500 252 440 700 490 Φ15
在线留言
联系我们
如果您对不锈钢保温风机的技术参数或其他问题感兴趣,请留下您的详细信息,我们将在24小时内安排销售经理给您回复。- 万通风机
厂家直销
- 万通风机
提供检验报告
- 万通风机
售后有保障
地址:广州市番禺区沙湾镇动车街33号之二
电话:
碳钢离心风机
4-72型C式叶轮、机壳、进风口、机架、轴承箱等皮带传动而组成。叶轮:由10个后倾斜的机翼型叶片、曲线型前盘和平板后盘组成。并经过动平衡校正,气动性能,故运转平衡、振动小、效率高、寿命长等特点。
不锈钢离心风机
4-72型C式采用不锈钢板焊成蜗型壳体,进风口全部模具成型,风机的传动方式为C式皮带传动。是一款高效率、高性能、低耗能环保风机。具有耐化学腐蚀、不易老化、机械振动小、噪音低、运转平稳等特点。
不锈钢保温风机
4-72A\D型在离心通风机的基础上增加方形保温箱体。它在对于输送含有热量气体的场合,能有效减少由进风口到出风口热量的散失,从而确保气体温度的稳定性。
不锈钢通风机
4-72型A式采用不锈钢板焊成蜗型壳体,进风口全部模具成型,配直连电动机而组成。是一款高效率、高性能、低耗能环保风机。可输送含酸碱成分及化学成分的腐蚀性有毒气体。
产品规格 / Product Specifications
- 4-72-2.8A-0.75Kw陆河不锈钢保温风机
4-72-2.8A-1.5Kw福安不锈钢保温风机
4-72-3.2A-1.1Kw温泉不锈钢保温风机
4-72-3.2A-2.2Kw会泽不锈钢保温风机
4-72-3.6A-1.1Kw灵武不锈钢保温风机
4-72-3.6A-3Kw逊克不锈钢保温风机
4-72-4A-1.1Kw章丘不锈钢保温风机
4-72-4A-5.5Kw长沙不锈钢保温风机
4-72-4.5A-1.1Kw朝阳不锈钢保温风机
4-72-4.5A-7.5Kw青神不锈钢保温风机
4-72-5A-2.2Kw临桂不锈钢保温风机
4-72-5A-15Kw黄平不锈钢保温风机
4-72-6A-1.5Kw林西不锈钢保温风机
4-72-6A-4Kw临颍不锈钢保温风机
4-72-6A-5.5Kw隆昌不锈钢保温风机
4-72-7A-7.5Kw龙里不锈钢保温风机
4-72-7A-11Kw慈溪不锈钢保温风机
4-72-8A-7.5Kw葫芦岛不锈钢保温风机
4-72-8A-15Kw迁西不锈钢保温风机






